你期待Bose的音質。你需要的改進。FreeSpace FS揚聲器是我們成熟的天花板和建筑揚聲器組合的下一個發展階段。它們在耐用性、設計和安裝的易用性方面制定了新的標準,并以令人印象深刻的色調平衡為特點。
FS揚聲器以最高的音質再現背景音樂和通告,因此是幾乎所有商業場所的理想選擇。該產品系列包括五個揚聲器,兩個不同的聲級以及新的裝配選項和現代設計令人信服。由于其一貫的高音質,FreeSpace FS揚聲器提供了一個性能競賽,尋求其同等的安裝下的音響系統。
特征
2,25英寸全量程驅動器,頻率范圍83赫茲,16歐姆和70/100伏工作
前壁上變速器手柄的連接可能性和設置
FS2系列的車型配備了一個2.25英寸的全長驅動器。頻率范圍從83赫茲開始,揚聲器可以在16歐姆和70/100伏的電壓下工作
整個FS產品系列的等效音質
清晰的音樂和語言播放感謝驅動程序,以確保出色的語言播放和和諧的背景音樂播放
隨時隨地提供最高音質
滿足所有要求的獨立系統,包括天花板安裝、安裝或懸掛設計的型號。根據你的要求建立一個系統。DesignMax低音炮和更大的DesignMax型號為您的系統設計提供了更多的可能性。
系統通過創新的住宅設計,將現代外觀與實用功能(如可移動標識)相結合,和諧地融入空間概念
多功能解決方案是可能的實用配件涵蓋廣泛的應用和組裝選項
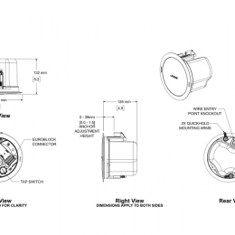
安裝方便:所有型號都配備有Euroblock輸入,位于天花板結構模型的前墻
UL-540和ULS540型火災探測系統均適用于UL-540火災探測系統
技術數據
負載能力:16w變壓器:16、8、4和2w
頻率響應:95 Hz-16 kHz
靈敏度:84 dB SPL,1W,1m(粉紅噪音)
外徑:18.3 cm
安裝直徑:15.5cm
安裝深度:12.5cm
顏色:白色
重量:1,63 kg

